- Dapatkan link
- X
- Aplikasi Lainnya
- Dapatkan link
- X
- Aplikasi Lainnya
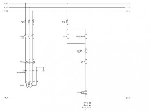
Schaltplan Aufgelöste Darstellung Der Strippenstrolch
Schaltplan stupidedia durchschnittlicher. Der strippenstrolch. Eure meinung zum layout erwünscht
schaltplan aufgelöste darstellung
Download PDF
If you are {looking for|searching about} Der Schaltplan | Bei einem Versuch mit den bereits gebauten … | Flickr you've {came|visit} to the right {place|web|page}. We have 15 {Pics|Pictures|Images} about Der Schaltplan | Bei einem Versuch mit den bereits gebauten … | Flickr like Schaltplan Aufgeloste Darstellung - Wiring Diagram, Schaltplan Aufgeloste Darstellung and also Stromlaufplan Aufgeloste Darstellung Kreuzschaltung. {Read more|Here you go|Here it is}:
- Dapatkan link
- X
- Aplikasi Lainnya








Komentar
Posting Komentar